page_banner

Products

One Way Rotary Viscous TRD-N18 Dampers In Toilet Seats Fixing

Short Description:

1. This one-way rotary damper is compact and space-saving, making it easy to install.

2. It offers a rotation angle of 110 degrees and operates with silicon oil as the damping fluid. The damper provides consistent resistance in a single designated direction, either clockwise or counterclockwise.

3. With a torque range of 1N.m to 2.5N.m, it offers adjustable resistance options.

4. The damper has a minimum lifetime of at least 50,000 cycles without any oil leakage, ensuring durability and reliability.


Product Detail

Product Tags

Vane Damper Rotational Damper Specification

Model

Max. Torque

Reverse torque

Direction

TRD-N18-R103

1.0 N·m (10kgf·cm) 

0.2 N·m (2kgf·cm) 

Clockwise

TRD-N18-L103

Counter-clockwise

TRD-N18-R203

2.0 N·m (20kgf·cm)

0.4 N·m (4kgf·cm) 

Clockwise

TRD-N18-L203

Counter-clockwise

TRD-N18-R253

2.5 N·m (25kgf·cm)

0.5 N·m (5kgf·cm) 

Clockwise

TRD-N18-L1253

Counter-clockwise

Note: Measured at 23°C±2°C.

Vane Damper Rotation Dashpot CAD Drawing

TRD-N181
TRD-N182

How to Use The Damper

1. The TRD-N18 is specifically designed to generate a significant torque when a lid is nearly fully closed from a vertical position, as indicated in Diagram A. This ensures a secure and reliable closure.

2. However, when a lid is closed from a horizontal position, as depicted in Diagram B, the TRD-N18 generates a strong torque just before the lid is fully closed. This can result in improper closure or difficulty in achieving a complete and accurate seal.

3. It is crucial to consider the positioning of the lid when utilizing the TRD-N18 damper to ensure the appropriate torque is generated for a successful and effective closure.

TRD-N1-2

1. When incorporating a damper on a lid, it is essential to calculate the appropriate damper torque using the specified selection calculation method as illustrated in the diagram.

2. To determine the required damper torque, consider the lid's mass (M) and dimensions (L). For example, in the given specifications, a lid with a mass of 1.5 kg and dimensions of 0.4m, the load torque can be calculated as T=1.5kg × 0.4m × 9.8m/s^2 ÷ 2, resulting in a load torque of 2.94 N·m.

3. Based on the load torque calculation, the suitable damper selection for this scenario would be TRD-N1-*303, ensuring the system operates optimally with the required torque support.

TRD-N1-3

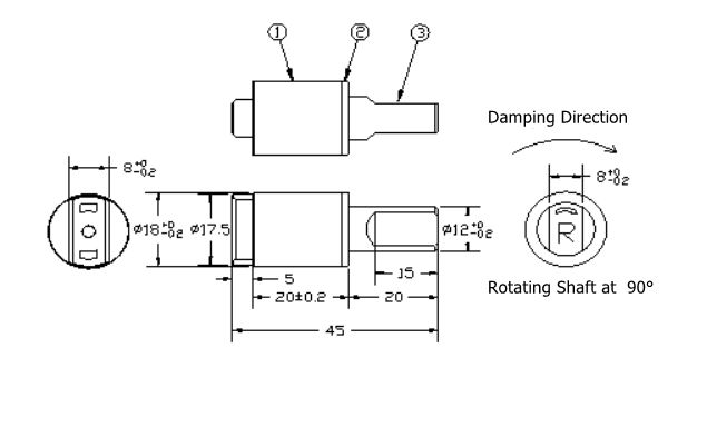
1. It is crucial to ensure a secure and tight fit when connecting the rotating shaft to other components. Without a tight fit, the lid will not slow down effectively during the closing process, potentially resulting in improper closure.

2. Refer to the provided dimensions on the right side for the appropriate measurements to fix the rotating shaft and main body, ensuring a proper and precise connection between the components. This will help achieve the desired performance and ensure smooth operation during lid closure.

TRD-N1-4

Application For Rotary Damper Shock Absorber

TRD-N1-5

Rotary damper are perfect soft closing motion control components used in many different industries such as toilet seat cover, furniture, electrical household appliance, daily appliances, automobile,  train and aircraft interior and  exit or import of auto vending machines, etc.


  • Previous:
  • Next:

  • Write your message here and send it to us